13980236437
首页
关于乐鱼官网
leyu简介
企业文化
资质荣誉
发展历程
组织机构
办公环境
生产环境
新闻资讯
乐鱼动态
百科知识
应用领域
石油化工
火力发电
矿山冶金及有色金属
氧化铝
造纸
医药
食品加工
化肥
产品中心
脱硫泵机封系列
渣浆泵机封系列
铝泵机封系列
油泵机封系列
管道泵机封系列
耐腐蚀泵机封系列
搅拌器机封系列
反应釜机封系列
密封系统
化工泵机封
标准机封
乐鱼合作伙伴
leyucom售后服务
leyucom售后服务
保养知识
机封维修
联系乐鱼官网
产品中心
当前位置:
首页
-
产品中心
-
铝泵机封系列
SWB
产品型号:
SWB系列机封
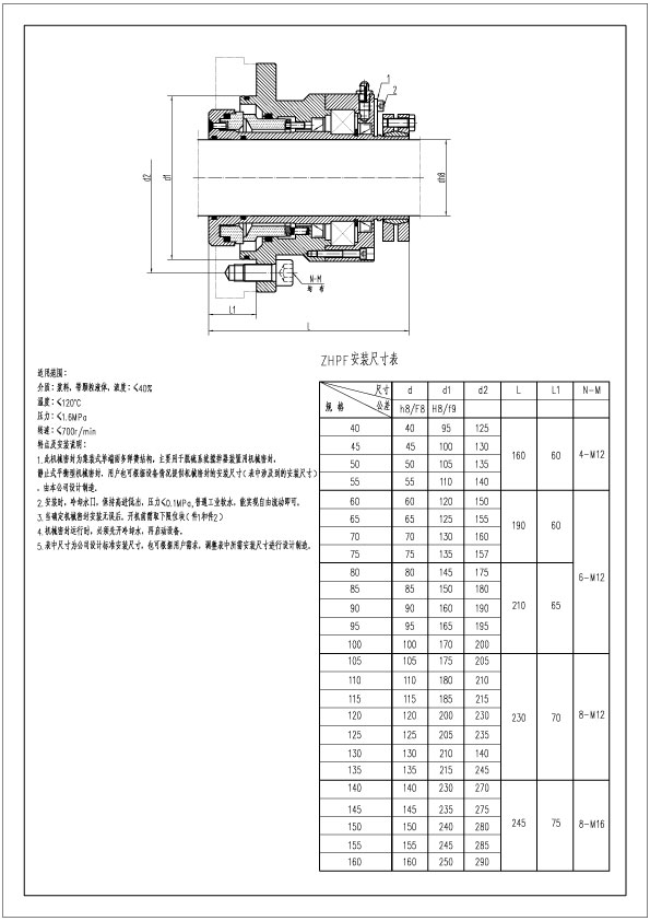
适用范围:
介质:浆料,带颗粒液体,浓度:≤50% 温度:≤180℃ 压力:≤2.6MPa 线速度:≤10m/s
结构特点:
1:此机械密封为集装式双端面,静止式多弹簧结构,可夹紧传动和可调节式驱动环传动两种方式。 2:安装时,冷却水口,保持低进高出,压力≤0.2MPa,普通工业软水即可。 3:当确定机械密封安装无误后,开机前需取下限位块。 4:机械密封运行时,必须先开冷却水,再启动设备。 5:可根据客户需求,可根据客户需要安装尺寸进行设计制造。
13980236437
详细介绍
相关推荐
山东淄博华成ZJA系列渣浆泵密封
产品型号:
山东淄博华成ZJA系列渣浆泵密封
适用范围:
山东双轮LRB系列密封
产品型号:
山东双轮LRB系列密封
适用范围:
ZDW
产品型号:
ZDW系列机封
适用范围:
介质:浆料,带颗粒液体,浓度:≤40% 温度:≤150℃ 压力:≤2.6MPa 线速度:≤10m/s
Copyright(C)2006-2025 All Rights Reserved 自贡市耐斯特密封件有限公司 备案号:
蜀ICP备16035722号-1
技术支持:
乐鱼官网(中国)一站式体育服务-官网-leyucom