13980236437
首页
关于乐鱼官网
leyu简介
企业文化
资质荣誉
发展历程
组织机构
办公环境
生产环境
新闻资讯
乐鱼动态
百科知识
应用领域
石油化工
火力发电
矿山冶金及有色金属
氧化铝
造纸
医药
食品加工
化肥
产品中心
脱硫泵机封系列
渣浆泵机封系列
铝泵机封系列
油泵机封系列
管道泵机封系列
耐腐蚀泵机封系列
搅拌器机封系列
反应釜机封系列
密封系统
化工泵机封
标准机封
乐鱼合作伙伴
leyucom售后服务
leyucom售后服务
保养知识
机封维修
联系乐鱼官网
产品中心
当前位置:
首页
-
产品中心
-
反应釜机封系列
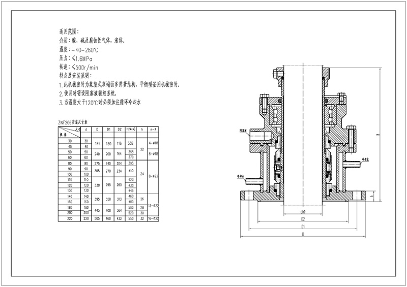
ZNF206
产品型号:
ZNF206
适用范围:
介质:酸,碱及腐蚀性气体,液体。 温度:-40~260°C 压力:≤1.6MPa 转速:≤500r/min
结构特点:
1:此机械密封为集装式双端面多弹簧结构,平衡型釜用机械密封。 2:使用时需设阻塞液辅助系统。 3:当温度大于120°C时必须加注循环冷却水。
13980236437
详细介绍
相关推荐
博格曼M461系列反应釜密封
产品型号:
博格曼M461系列反应釜密封
适用范围:
反应釜密封:温度:-20~300°C,压力:-0.1~4.5MPa;线速度:≤3m/s,介质:油、水、弱酸碱及易燃、易爆有毒气体。
ZNF212
产品型号:
ZNF206
适用范围:
介质:酸,碱及腐蚀性气体,液体。 温度:-40~260°C 压力:≤1.6MPa 转速:≤500r/min
Copyright(C)2006-2025 All Rights Reserved 自贡市耐斯特密封件有限公司 备案号:
蜀ICP备16035722号-1
技术支持:
乐鱼官网(中国)一站式体育服务-官网-leyucom